Aeotec "HEM 8" ZWA046-3C60 - Mesure de consommation énergétique par pince ampèremétrique Z-Wave série 800
Le nouveau module Aeotec "HEM 8" ZWA406-3C60 à pince ampèremétrique permet de mesurer et d'envoyer à votre box ou logiciel domotique Z-Wave l'énergie consommée.
- Technologie sans fil : Z-Wave Plus série 800 à 868MHz
- Mesure la consommation énergétique pour un circuit monophasé ou biphasé ou triphasé
- Supporte jusqu'à 3 x 60A (3 x 13800W en 230V)
- Mesure la tension et le déphasage (CosPhi) pour une indication fiable de la puissance en W
- Envoie les valeurs suivantes (sous réserve de prise en charge par la box domotique utilisée) :
- Puissance instantanée en W
- Consommation cumulée en kWh
- Tension en V
- Intensité en A
- Suivi en temps réel de la consommation et de la production d'énergie
- Haute précision de mesure (99 %) pour une analyse précise
- Connexion Z-Wave cryptée AES-128 pour une sécurité maximale des données
- Garantie 2 ans
Présentation de l'Aeotec Home Energy Meter 8 ZWA046-3C60
Surveillance énergétique adaptée à tous les foyers
Optimisez la gestion de votre énergie avec le Home Energy Meter 8 d'Aeotec, dernière innovation de la série Z-Wave 800 longue portée.
Grâce à cet appareil performant, surveillez et analysez en temps réel votre consommation ainsi que votre production d'énergie pour réaliser des économies significatives.
Recevez des informations instantanées, fixez des objectifs d'économies personnalisés et réduisez efficacement vos factures d'électricité, tout en contribuant à un mode de vie plus durable.
La connectivité Z-Wave Plus Long Range assure une transmission fiable jusqu'à 1,6 km en extérieur, idéale pour les grandes propriétés et les installations complexes.
Cette portée exceptionnelle garantit une communication stable entre vos appareils domotiques, sans interruption.
Totalement compatible avec tous les hubs Z-Wave, le Home Energy Meter 8 vous permet de contrôler à distance votre consommation via votre Smart Home Hub préféré.
Optimisez votre installation énergétique, améliorez votre confort quotidien et participez activement à la transition énergétique, grâce à une technologie fiable et durable.

Gardez le contrôle
Gardez le contrôle de votre consommation d'énergie avec le Home Energy Meter 8, un appareil innovant qui vous permet de suivre et d'optimiser votre consommation où que vous soyez.
Compatible avec SmartThings, cet outil vous permet de prendre des décisions éclairées sur votre énergie et de réaliser des économies significatives, tout en réduisant votre empreinte carbone.
Que vous soyez à la maison, au bureau ou en déplacement, restez connecté à votre consommation d'énergie et gérez-la de manière intelligente et durable.
Adoptez le futur de la gestion énergétique et transformez votre maison en un havre écologique, tout en réduisant vos factures d'énergie.

Gestion intelligente de l'énergie
Optimisez votre consommation d'énergie avec le Home Energy Meter 8, intégré à SmartThings.
Cette solution permet une gestion intelligente de votre énergie en mesurant précisément l'énergie excédentaire de sources comme les panneaux solaires, réduisant ainsi les gaspillages.
Il se connecte à trois phases électriques pour prioriser l’énergie autoproduite, ce qui diminue les coûts et dépendances au réseau.
Son suivi en temps réel avec une précision de 99 % vous offre une vision claire de vos dépenses.
Profitez de données sécurisées et d'une gestion automatisée, pour un environnement plus écologique et économique.

Adaptabilité exceptionnelle
Le Home Energy Meter 8 est conçu pour résister aux conditions extrêmes, avec une tolérance élevée à l'humidité, ce qui le rend parfait pour les environnements humides.
Sa capacité à fonctionner dans des climats froids grâce à sa température de fonctionnement optimisée en fait un choix idéal pour toutes les conditions météorologiques.
Ce dispositif garantit des performances constantes et une gestion énergétique efficace, faisant de lui un atout essentiel pour une transition vers un avenir plus vert.

Câblage de l'Aeotec Home Energy Meter 8 ZWA046-3C60
Circuit monophasé

Circuit biphasé

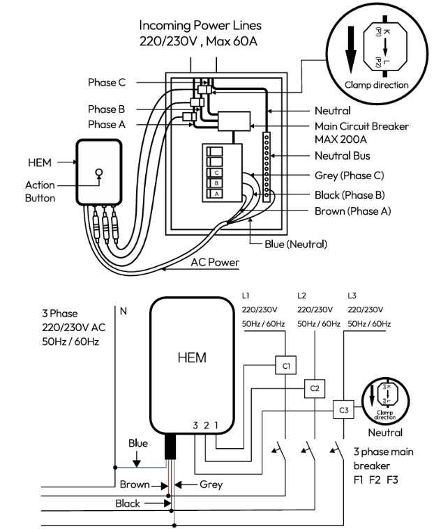
Circuit triphasé

Caractéristiques techniques de l'Aeotec Home Energy Meter 8 ZWA046-3C60
- Technologie sans fil :
- Protocole : Z-Wave Plus série 800
- Fréquence radio : 868,42 MHz
- Distance de transmission : 300m en champ libre (peut varier suivant de nombreux facteurs)
- Chipset : EFR32ZG23
- SDK : 7.22.0
- Dimensions :
- Produit : 85,5 x 54,3 x 38 mm
- Plaque de montage arrière : 24 x 24 mm
- Alimentation : 230VAC, 50/60Hz
- Mode actif (courant de fonctionnement) : 30 mA
- Mode veille : 5 mA
- Consommation maximale en veille : 1,1 W
- Protection IP : IP44
- Poids : 440g
- Diamètre maximum du câble électrique : 10mm
- Certifications :
- FCC
- CE
- ROHS
- C-Tick
- Référence
- ZWA046-3C60
- État
- Neuf
- Format
- En applique
- Connexions
- Z-Wave (puce série 100)
Z-Wave+ (puce série 500)
Z-Wave+ (puce série 700)
Z-Wave+ (puce série 800) - Compatibilités domotique
- Aeotec SmartThings
Fibaro HC3
Home Assistant
Homey / Homey Pro - Type de module
- Sonde / Détecteur
- Usage
- Consommation
- Fonctions
- Consommation
Répéteur - Alimentation
- Secteur 230V
- Puissance max. par sortie (W)
- 13800W
- Intensité max. par sortie (A)
- 60A
|
SOMMAIRE |
Présentation

- Bouton : Utilisé pour l'inclusion et l'exclusion du module au réseau Z-Wave.
- LED : Indique l'état du module.
- Câble d'alimentation : Câble à connecter au 230V pour alimenter le module.
- Pinces : Sert à entourer la phase du circuit que l'on souhaite mesurer.
Installation
| RISQUE D'ÉLECTROCUTION ! Il est fortement recommandé de faire appel à un électricien qualifié. Coupez et sécurisez le disjoncteur de votre installation électrique et vérifiez l'absence de tension à l'aide d'un testeur avant toute opération sur le câblage. Verrouillez si possible l'accès au disjoncteur. En tout cas, indiquez sur le tableau électrique : "Ne pas rebrancher ! En travaux !" |
- Mettez le disjoncteur principal hors tension.
- Ouvrez le tableau électrique.
- Fixez une pince du module autour du câble de phase du circuit électrique à mesurer.
- Connectez la pince au module.
- Connectez le câble d'alimentation au module.
- Branchez les fils d'alimentations sur un disjoncteur. Le fil marron est la phase, le fil bleu est le neutre.
- Refermez le tableau électrique.
- Remettez le disjoncteur principal en marche.
Il est maintenant temps de placer le boîtier principal du module. À l'intérieur du module se trouve une antenne radio utilisée pour les communications, et il faut en tenir compte lors du choix de l'emplacement du compteur.
Si le boîtier du compteur est en métal, l'intensité du signal radio peut être réduite. Dans ce cas, il est recommandé de fixer le corps principal du compteur à l'extérieur du boîtier. Cela améliorera l'intensité du signal radio. Le Home Energy Meter est conforme à la norme internationale IP43 et résiste donc à la pluie et à la neige lorsqu'il est placé verticalement, les fils dépassant de la base de l'appareil.
Pour placer le Home Energy Meter :
- Détachez la plaque de support située à l'arrière du compteur.
- Fixez la plaque sur l'espace mural choisi à l'aide des vis fournies.
- Fixez votre compteur à la plaque de support.
Câblage circuit monophasé

Câblage circuit biphasé

Câblage circuit triphasé

Inclusion au réseau Z-Wave
Cette étape permet d'ajouter le module Z-Wave Aeotec ZWA046 "Home Energy Meter 8" à votre réseau Z-Wave et ainsi de le rendre plus utilisable par votre box domotique mais aussi de lui faire commander directement d'autres modules présents sur le même réseau Z-Wave.
| L'inclusion étant une étape sensible, il est très fortement recommander d'effectuer cette opération à moins de 2 m sans obstacle du contrôleur Z-Wave (box domotique). |
| Le processus d'inclusion peut porter plusieurs noms suivant les logiciels ou box domotique utilisés. Il peut par exemple être appelé "ajouter un périphérique Z-Wave" ou associer un module (bien que le terme "association" soit impropre avec le Z-Wave car définissant un autre type d'action). |
- Alimentez votre module
- Allez sur votre box domotique et faites "ajouter ou supprimer un périphérique"
- Choisissez "inclure un périphérique Z-Wave"
- Appuyez une fois sur le bouton du module
- Votre module a bien été incrémenté dans votre réseau Z-Wave et dans votre box domotique
| Si vous rencontrez des difficultés à l'inclusion, nous vous recommandons d'effectuer au préalable une exclusion du module ou une réinitialisation. |
Exclusion du réseau Z-Wave
Cette étape permet de retirer un module de votre réseau Z-Wave (et de le réinitialiser) afin de pouvoir l'inclure de nouveau dans un réseau Z-Wave.
| L'exclusion étant une étape sensible, il est très fortement recommander d'effectuer cette opération à moins de 2 m sans obstacle du contrôleur Z-Wave (box domotique). |
| Le processus d'exclusion peut porter plusieurs noms suivant les logiciels ou box domotiques utilisés. Il peut par exemple être appelé "supprimer un périphérique Z-Wave". |
| Vous pouvez exclure un module Z-Wave avec n'importe quelle box domotique même s'il ne s'agit pas de celle qui avait été utilisée pour l'inclure. |
- Alimentez votre module
- Allez sur votre box domotique et faites "ajouter ou supprimer un périphérique"
- Choisissez "exclure un périphérique Z-Wave"
- Appuyez trois fois rapidement sur le bouton du module
- Votre module a bien été retiré de votre réseau Z-Wave et de votre box domotique
| Tout les réglages et associations sont effacés au moment de l'exclusion. |
Réinitialisation du module
En cas de dysfonctionnement ou de difficultés à exclure / inclure le module, vous pouvez tenter une remise aux valeurs d'usine. Cette opération supprimera l'inclusion et les associations et mettra les paramètres à leur valeurs par défaut.
- Alimentez votre module
- Appuyez pendant 10 secondes sur le bouton du module
- Votre module a bien été réinitialisé aux valeurs d'usine et les paramètres à leur valeurs par défaut.
|
SOMMAIRE |
Paramètres Z-Wave
Vous trouverez dans ce tableau les principaux paramètres du module Home Energy Meter 8 Aeotec ZWA046
| N° du paramètre | Valeur usine | Valeur possible | Effet |
| 3 (1Byte dec) "Active / désactive la limitation de transmissions (voir paramètres 4 à 19). Utile pour réduire les communications sur réseau Z-Wave complexe." | 1 | 0 | Désactivé |
| 1 | Activé | ||
| 4 (2Byte dec) "Global - Changement minimum de consommation en W nécessaire à l’envoi immédiat de la puissance mesurée actuelle" | 50 | 5 à 60000 | Valeur en W |
| 5 (2Byte dec) "Pince 1 - Changement minimum de consommation en W nécessaire à l’envoi immédiat de la puissance mesurée actuelle" | 50 | 5 à 60000 | Valeur en W |
| 6 (2Byte dec) "Pince 2 - Changement minimum de consommation en W nécessaire à l’envoi immédiat de la puissance mesurée actuelle" | 50 | 5 à 60000 | Valeur en W |
| 7 (2Byte dec) "Pince 3 - Changement minimum de consommation en W nécessaire à l’envoi immédiat de la puissance mesurée actuelle" | 50 | 5 à 60000 | Valeur en W |
| 8 (2Byte dec) "Global - Changement minimum de production en W nécessaire à l’envoi immédiat de la puissance mesurée actuelle" | 50 | 5 à 60000 | Valeur en W |
| 9 (2Byte dec) "Pince 1 - Changement minimum de production en W nécessaire à l’envoi immédiat de la puissance mesurée actuelle" | 50 | 5 à 60000 | Valeur en W |
| 10 (2Byte dec) "Pince 2 - Changement minimum de production en W nécessaire à l’envoi immédiat de la puissance mesurée actuelle" | 50 | 5 à 60000 | Valeur en W |
| 11 (2Byte dec) "Pince 3 - Changement minimum de production en W nécessaire à l’envoi immédiat de la puissance mesurée actuelle" | 50 | 5 à 60000 | Valeur en W |
| 12 (1Byte dec) "Global - Changement minimum de consommation en % nécessaire à l’envoi immédiat de la puissance mesurée actuelle" | 20 | 1 à 100 | Valeur en % |
| 13 (1Byte dec) "Pince 1 - Changement minimum de consommation en % nécessaire à l’envoi immédiat de la puissance mesurée actuelle" | 20 | 1 à 100 | Valeur en % |
| 14 (1Byte dec) "Pince 2 - Changement minimum de consommation en % nécessaire à l’envoi immédiat de la puissance mesurée actuelle" | 20 | 1 à 100 | Valeur en % |
| 15 (1Byte dec) "Pince 3 - Changement minimum de consommation en % nécessaire à l’envoi immédiat de la puissance mesurée actuelle" | 20 | 1 à 100 | Valeur en % |
| 16 (1Byte dec) "Global - Changement minimum de production en % nécessaire à l’envoi immédiat de la puissance mesurée actuelle" | 20 | 1 à 100 | Valeur en % |
| 17 (1Byte dec) "Pince 1 - Changement minimum de production en % nécessaire à l’envoi immédiat de la puissance mesurée actuelle" | 20 | 1 à 100 | Valeur en % |
| 18 (1Byte dec) "Pince 2 - Changement minimum de production en % nécessaire à l’envoi immédiat de la puissance mesurée actuelle" | 20 | 1 à 100 | Valeur en % |
| 19 (1Byte dec) "Pince 3 - Changement minimum de production en % nécessaire à l’envoi immédiat de la puissance mesurée actuelle" | 20 | 1 à 100 | Valeur en % |
| 100 (1Byte dec) "Réinitialise les paramètres n°101 à 106" | 0 | 1 | Réinitialise les paramètres n°101 à 106 |
| 101 (4Byte dec) "Type de rapport automatique pour le groupe 1 (en consommation)" | 0 | Voir le tableau de calcul en dessous de ce tableau de paramètre | |
| 102 (4Byte dec) "Type de rapport automatique pour le groupe 2 (en consommation)" | 0 | Voir le tableau de calcul en dessous de ce tableau de paramètre | |
| 103 (4Byte dec) "Type de rapport automatique pour le groupe 3 (en consommation)" | 0 | Voir le tableau de calcul en dessous de ce tableau de paramètre | |
| 104 (4Byte dec) "Type de rapport automatique pour le groupe 1 (en production)" | 0 | Voir le tableau de calcul en dessous de ce tableau de paramètre | |
| 105 (4Byte dec) "Type de rapport automatique pour le groupe 2 (en production)" | 0 | Voir le tableau de calcul en dessous de ce tableau de paramètre | |
| 106 (4Byte dec) "Type de rapport automatique pour le groupe 3 (en production)" | 0 | Voir le tableau de calcul en dessous de ce tableau de paramètre | |
| 110 (1Byte dec) "Réinitialise les paramètres n°111 à 116" | 0 | 1 | Réinitialise les paramètres n°111 à 116 |
| 111 (4Byte dec) "Intervalle de temps pour l'envoi d'un rapport du groupe 1 (en consommation)" | 3600 | 1 - 2097152 | Valeur en secondes |
| 112 (4Byte dec) "Intervalle de temps pour l'envoi d'un rapport du groupe 2 (en consommation)" | 3600 | 1 - 2097152 | Valeur en secondes |
| 113 (4Byte dec) "Intervalle de temps pour l'envoi d'un rapport du groupe 3 (en consommation)" | 3600 | 1 - 2097152 | Valeur en secondes |
| 114 (4Byte dec) "Intervalle de temps pour l'envoi d'un rapport du groupe 1 (en production)" | 3600 | 1 - 2097152 | Valeur en secondes |
| 115 (4Byte dec) "Intervalle de temps pour l'envoi d'un rapport du groupe 2 (en production)" | 3600 | 1 - 2097152 | Valeur en secondes |
| 116 (4Byte dec) "Intervalle de temps pour l'envoi d'un rapport du groupe 3 (en production)" | 3600 | 1 - 2097152 | Valeur en secondes |
| 252 (1Byte dec) "Activation/désactivation du verrouillage des paramètres" | 0 | 0 | Désactivé |
| 1 | Activé | ||
Valeurs possibles pour les paramètres 101 à 106
Pour chaque groupe, choisissez parmi les mesures ci-dessous et additionnez leurs valeurs :
| Information à envoyer | Oui=1 / Non=0 | Opération | Valeur | Opération | Résultat |
| Mesure de consommation totale (kWh) | ... | x | 256 | = | ... |
| Mesure de puissance totale (W) | ... | x | 512 | = | ... |
| Mesure de tension totale (V) | ... | x | 1024 | = | ... |
| Mesure de courant totale (A) | ... | x | 2048 | = | ... |
| Mesure d'énergie active totale (kVarh) | ... | x | 4096 | = | ... |
| Mesure de puissance réactive totale (kVar) | ... | x | 8192 | = | ... |
| Mesure de puissance totale (kVah) | ... | x | 16384 | = | ... |
| Mesure de facteur de puissance totale | ... | x | 32768 | = | ... |
| Mesure de consommation - Phase B (kWh) | ... | x | 65536 | = | ... |
| Mesure de puissance - Phase B (W) | ... | x | 131072 | = | ... |
| Mesure de tension - Phase B (V) | ... | x | 262144 | = | ... |
| Mesure de courant - Phase B (A) | ... | x | 524288 | = | ... |
| Mesure d'énergie active - Phase B (kVarh) | ... | x | 1048576 | = | ... |
| Mesure de puissance réactive - Phase B (kVar) | ... | x | 2097152 | = | ... |
| Mesure de puissance - Phase B (kVah) | ... | x | 4194304 | = | ... |
| Mesure de facteur de puissance - Phase B | ... | x | 8388608 | = | ... |
| Mesure de consommation - Phase B (kWh) | ... | x | 16777216 | = | ... |
| Mesure de puissance - Phase B (W) | ... | x | 33554432 | = | ... |
| Mesure de tension - Phase B (V) | ... | x | 67108864 | = | ... |
| Mesure de courant - Phase B (A) | ... | x | 134217728 | = | ... |
| Mesure d'énergie active - Phase B (kVarh) | ... | x | 268435456 | = | ... |
| Mesure de puissance réactive - Phase B (kVar) | ... | x | 536870912 | = | ... |
| Mesure de puissance - Phase B (kVah) | ... | x | 1073741824 | = | ... |
| Mesure de facteur de puissance - Phase B | ... | x | 2147483648 | = | ... |
| Somme | = ... | ||||
Par exemple, pour envoyer la mesure de puissance totale, saisissez 2. Pour envoyer la mesure de consommation totale, saisissez 1. Pour envoyer les deux, saisissez 3.
Groupes d'associations Z-Wave
| N° | Description | Nombre d'associations maximum |
| 1 | Envoi des rapports configurés au paramètre n°101 aux modules associés | 5 |
| 2 | Envoi des rapports configurés au paramètre n°102 aux modules associés | 5 |
| 3 | Envoi des rapports configurés au paramètre n°103 aux modules associés | 5 |